70 anos 1938-2008
Español
Português para a África
Árabe
Chinês
Russo
Inglês
Outras línguas
Atualizado às: 09 de junho, 2006 - 21h04 GMT (18h04 Brasília)
Envie por e-mailVersão para impressão
Cientistas criam sensor de tato eficaz como mão
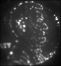
Sensores fotografam o que 'sentem' em moeda de um centavo
Cientistas americanos criaram um sensor que pode identificar por tato a textura de objetos com a mesma sensibilidade das mãos humanas.

O trabalho de pesquisadores da Universidade de Nebraska, nos Estados Unidos, foi publicado nesta sexta-feira na revista científica Science.

"Atualmente os sensores tácteis existentes são frustrantes porque têm resolução de milímetros", explicou o professor Ravi Saraf, da Universidade de Nebraska, em Lincoln e um dos co-autores do projeto.

"A resolução do tato dos dedos humanos é de cerca de 40 microns, metade do diâmetro do cabelo humano."

Saraf e o colega Vivek Maheshwari conseguiram criar um sensor com alto grau de sensibilidade usando um filme muito fino feito de camadas de metal e de nanopartículas semicondutoras, com eletrodos encima e embaixo.

Efeito de luz fotografa o tato

Quando outra superfície toca o filme, qualquer pressão ou estresse comprime as camadas de partículas, a corrente do filme muda e luz é emitida das partículas em um efeito "eletroluminescente". A luz produzida é detectada por uma câmera.

"O bonito da coisa é que conseguimos fazer um equipamento de forma que a corrente mude, e que se consegue exatamente a luz proporcional ao estresse aplicado", disse Saraf.

Para demonstrar a alta sensibilidade do equipamento, o cientista pressionou uma moeda de um centavo de dólar no robô. O sensor revelou as rugas das roupas do presidente Lincoln e as letras TY de "liberty" (liberdade), inscritas na moeda.

O filme é sensível, mas forte o suficiente para ser usado repetidamente.

"A esperança é que se o tato é como o de um dedo humano, pode ter aplicações como cirurgias minimamente invasivas, nas quais os médicos possam 'tocar' os tecidos nas operações e saber se são cancerosos ou anormais, o que aumentaria o sucesso destas operações", afirma Saraf.

Para o especialista em robótica, Ricard Crowder, da Universidade de Southampton, que comenta o trabalho em um artigo da revista, "este sensor único pode provar ser um avanço tecnológico chave no progresso da robótica e das cirurgias de mínimo acesso".

NOTÍCIAS RELACIONADAS
Empresa japonesa venderá robô que reconhece voz
13 de setembro, 2005 | Ciência & Saúde
Honda apresenta nova versão de robô capaz de correr
16 de dezembro, 2004 | Ciência & Saúde
Cientistas criam 'robô-Tarzã' para pesquisa ambiental
29 de dezembro, 2003 | Ciência & Saúde
LINKS EXTERNOS
A BBC não se responsabiliza pelo conteúdo dos links externos indicados.
ÚLTIMAS NOTÍCIAS
Envie por e-mailVersão para impressão
Tempo|Sobre a BBC|Expediente|Newsletter
BBC Copyright Logo^^ Início da página
Primeira Página|Ciência & Saúde|Cultura & Entretenimento|Vídeo & Áudio|Fotos|Especial|Interatividade|Aprenda inglês
BBC News >> | BBC Sport >> | BBC Weather >> | BBC World Service >> | BBC Languages >>
Ajuda|Fale com a gente|Notícias em 32 línguas|Privacidade